Sie sind nicht angemeldet.

Lieber Besucher, herzlich willkommen bei: Panorama Community. Falls dies Ihr erster Besuch auf dieser Seite ist, lesen Sie sich bitte die Hilfe durch. Dort wird Ihnen die Bedienung dieser Seite näher erläutert. Darüber hinaus sollten Sie sich registrieren, um alle Funktionen dieser Seite nutzen zu können. Benutzen Sie das Registrierungsformular, um sich zu registrieren oder informieren Sie sich ausführlich über den Registrierungsvorgang. Falls Sie sich bereits zu einem früheren Zeitpunkt registriert haben, können Sie sich hier anmelden.

21

Dienstag, 1. März 2011, 21:24

Heute ist endlich mein Merlin gekommen. Direkt das Sample Programm für die Merlin-Steuerung auf den Arduino geworfen und schon dreht die ganze Geschichte wie sie soll. Sogar mal garnicht so langsam. Bin echt begeistert. Jetzt muss nur noch das Display kommen und dann gehts auf ans erste Gigapixel Bild mit dem Arduino und Merlin zusammen.

22

Mittwoch, 2. März 2011, 22:10

So und nun ist der Merlin auch schon direkt auf die neueste Softwareversion geupdatet. :-)
Fehlt nur noch endlich mein LCD-Button-Shield für meinen Arduino.
Ist denn Interesse an einem ausführlichen Tutorial wie man solch einen Arduino-Merlin erstellt/programmiert?

23

Donnerstag, 3. März 2011, 05:32

Ich denke da besteht immer Interesse oder zumindest eine Presentation deines Werk. Dann kommen andere auch auf den Geschmack. Ich muss glaub das Projekt auch wieder beginnen leider ist mir einer meiner Arduinos durchgebrannt durch einen Fehler meinerseite. Darum hab ich es nicht fertig gemacht. :-)
D800, D300, D80, Seitz Roundshot VR2, Nodal Ninja5 RD16, Nikkor 10,5, Nikkor 24-70, Nikkor 70-200, Sigma 150-500, Nikkor 105VR

24

Donnerstag, 3. März 2011, 10:59

...Fehlt nur noch endlich mein LCD-Button-Shield für meinen Arduino.
Ist denn Interesse an einem ausführlichen Tutorial wie man solch einen Arduino-Merlin erstellt/programmiert?

Aus meiner Sicht gern, ich finde das Thema schon sehr interessant.

Welches LCD-Button-Shield willst Du für diese Zwecke verwenden?

Gruß
Karsten

25

Donnerstag, 3. März 2011, 13:16

Also bei mir wird folgendes Shield zur Anwendung kommen

http://www.lipoly.de/index.php?main_page…ducts_id=114365

26

Donnerstag, 3. März 2011, 15:08

Also bei mir wird folgendes Shield zur Anwendung kommen
http://www.lipoly.de/index.php?main_page…ducts_id=114365


wunderbar, das habe ich auch noch rumliegen ...
bin gespannt
knapp vorbei ist auch daneben ...

27

Donnerstag, 3. März 2011, 15:30

kann allerdings noch etwas dauern, da mein shield noch auf der reise aus fernost ist.
im moment nutye ich noch den pc fuer die steuerung des arduinos. die kommunikation zwischen beiden steht allerdings schon.

28

Mittwoch, 9. März 2011, 21:40

Kleines Update meiner Seits:

Der Arduino kommuniziert nun vollständig mit dem Merlin und fährt von einem definierten Startpunkt ab einen Blickwinkel in X und Y im Mosaikverfahren ab.
Auf einem anderen Arduino habe ich derzeit die Kamerasteuerung umgesetzt. Im nächsten Schritt müssen beide Teile nur noch kombiniert werden.

Auf der Todo-Liste stehen dann noch folgende Dinge:

1. Implementierung eines Displays mit Buttons
2. Umsetzung eines Display-Menüs um Parameter einzustellen (Startpunkt, Endpunkt, Brennweite, ...)

Ich habe mich absichtlich gegen die Version vom MX2 entscheiden, da mir dieses nicht flexibel genug war.

29

Donnerstag, 10. März 2011, 20:42

Okay wieder ein Update von meinem Panorama-Arduino Roboter:

Der Arduino steuert nun nicht nur den Merlin, er triggert nun auch die Kamera über einen Optokoppler um die Kamera vor ungewollten Spannungen zu schützen.
Wenn interesse besteht kann ich gerne den Schaltungsaufbau schonmal posten.

31

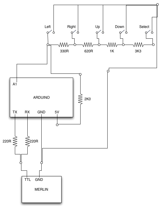
Sonntag, 27. März 2011, 18:18

So jetzt gibt es mal wieder ein Update von mir.

Ich habe mal provisorisch einen Schaltplan erstellt, nicht hübsch aber sollte alles drauf sein.

Das Display ist ein Shield welches direkt auf dem Arduino sitzt.

Als Gehäuse habe ich provisorisch zur Zeit eine Tupperdose genommen. Ging auch mit einfachen Hausmitteln zu bearbeiten. Sollte jemand interesse am Code haben dann einfach melden.

Für ein Panorama mit ca 600 Bildern bei 200mm Brennweite mit meiner 550D benötige ich etwas mehr wie 60 Minuten. der Fortschritt wird direkt auf dem Display angezeigt und alle Settings wie Startkoordinaten und Endkoordinaten werden direkt auf dem Arduino eingestellt. Auch lässt sich die Belichtungszeit und Brennweite einstellen.

Das Auslösen der Kamera passiert über den Arduino.
»gloob« hat folgende Bilder angehängt:
  • Schaltplan.jpg
  • IMG_4611.jpg
  • IMG_4612.jpg

32

Sonntag, 1. Mai 2011, 19:06

Hat jemand Interesse an einer veränderten Version für Software Serial Communication um andere Pins des Arduinos zu benutzen? Der "Nachteil" der ursprungs Version ist, das RX und TX auf Pin 0 und 1 liegen welche die gleichen sind wie für ein Umdate des Arduinos genutzt werden.

Weiterhin plane ich auch die Software auf WLAN und iPod/iPhone/iPad umzustellen.

33

Sonntag, 1. Mai 2011, 22:41

Hat jemand Interesse an einer veränderten Version für Software Serial Communication um andere Pins des Arduinos zu benutzen? Der "Nachteil" der ursprungs Version ist, das RX und TX auf Pin 0 und 1 liegen welche die gleichen sind wie für ein Umdate des Arduinos genutzt werden.
Weiterhin plane ich auch die Software auf WLAN und iPod/iPhone/iPad umzustellen.

Sind die Angebote eigentlich ernst gemeint?
Dann solltest Du auch auf Deine PNs antworten.

Gruß
Karsten

34

Montag, 2. Mai 2011, 09:55

Natürlich sind die Angebote ernst gemeint. Brauchst nicht gleich nen Fass auf machen wenn man mal nicht auf ne pn antwortet, weil man es vergessen hat.

Die Kamera löse ich derzeit entweder direkt über das Interface des Merlin aus oder aber auch über 2 Optokoppler direkt mit dem arduino direkt am remoteeingang der kamera, was den Vorteil hat, das man es besser steuern kann und gezielter auch HDR und Co machen kann.
Infrarotdiode geht natürlich über den arduino genauso.
Das auslösen per USB habe ich noch nicht probiert, da hierfür ein USB Master notwendig ist.

Was das Gigapixel Projekt angeht bin ich jetzt mit meiner aktuellen Software so weit das es ohne Probleme funktioniert und ich etwa 550 Bilder in der Stunde hinbekomme mit 200mm Brennweite an meiner 550d. Allerdings sind hierfür auch ein Display und 5 Buttons oder 1 Button und ein Joystick notwendig.

Der nächste Schritt ist wie gesagt jetzt zu versuchen das ganze über WLAN mittels iPod, iPad oder etwas ähnlichem mit WLAN und Webseiten Aufruf zu steuern.

35

Samstag, 8. Oktober 2011, 00:00

Habe soweit alles aufgebaut und das Demoprogramm funktioniert auch. Wenn ich nun gigapixel nutze und fotografieren will komme ich bei schritt 2 Start Position nicht zurecht.

Ich stelle mit den Buttons die Start Position ein und klicke auf weiter nun erscheint "Moving..." im Display und ich kann nichts mehr machen

Wie muss ich das vorgehen?

Dieser Beitrag wurde bereits 3 mal editiert, zuletzt von »Lazybone« (8. Oktober 2011, 00:34)


36

Samstag, 8. Oktober 2011, 12:05

Habe jetzt nochmal die Firmeware neu draufgemacht jetzt funktioniert es auch

37

Montag, 10. Oktober 2011, 17:04

Was ich festgestellt habe ist das er nicht mit überlappungen bei der senkrechte arbeitet. kann dies noch jemand bestätigen? Oder habe ich etwas falsch eingestellt habe ne Canon 550 und nen Tamron 18-200 Objektiv. Das Objektiv ist auf 200 eingestellt und im Steuerprogramm auch 200 eingestellt.

38

Montag, 10. Oktober 2011, 18:00

Was für eine Software hast du denn aktuell verwendet?

Edit: Du hattest ja gefragt was ich aktuell verwende.
Im Moment nutze ich ein LCD48x84 button shield auf einem Arduino Uno. Mit der Software bin ich noch nicht komplett durch jedoch funktioniert es für Gigapixelaufnahmen eigentlich schon sehr gut.
Ich hänge mal meinen Source an. vielleicht kannst du damit was anfangen.

Panoduino_V098_Final

Dieser Beitrag wurde bereits 1 mal editiert, zuletzt von »gloob« (10. Oktober 2011, 18:07)


39

Montag, 10. Oktober 2011, 18:03

die aktuellste von seiner seite aber habe glaube ich schon fehler gefunden habe den CROP-Faktor nicht mit einberechnet

40

Samstag, 15. Oktober 2011, 07:05

Hallo,

Derzeit arbeite ich an der möglichkeit optimierte Kugelpanoramen mit hoher Auflösung mit dem merlin aufzunehmen. Erste versuche mit 50mm brennweite bei 218 einzelbildern für die volle kugel konnte ich schon machen. Hat jemand interesse dran?
Aufgebaut habe ich auf papyspheric für papywizard.
Die erste umsetzung hat zwar nocb kein display oder menu aber vielleicht braucht es das auch garnicht wen man immer mit 50mm objektiv arbeitet und so eine minimale arduino-merlin konfiguration nur braucht. Somit konnte man es auch einen arduino pro flashen und als kleinen "ansteck-stick" für den merlin umsetzen.

Edit: die 218 bilder waren mit 12v netzteil auch in 21 minuten durch. Lässt sich aber bestimmt noch was rausholen mit 15v am eingang.

Dieser Beitrag wurde bereits 2 mal editiert, zuletzt von »gloob« (15. Oktober 2011, 14:33)